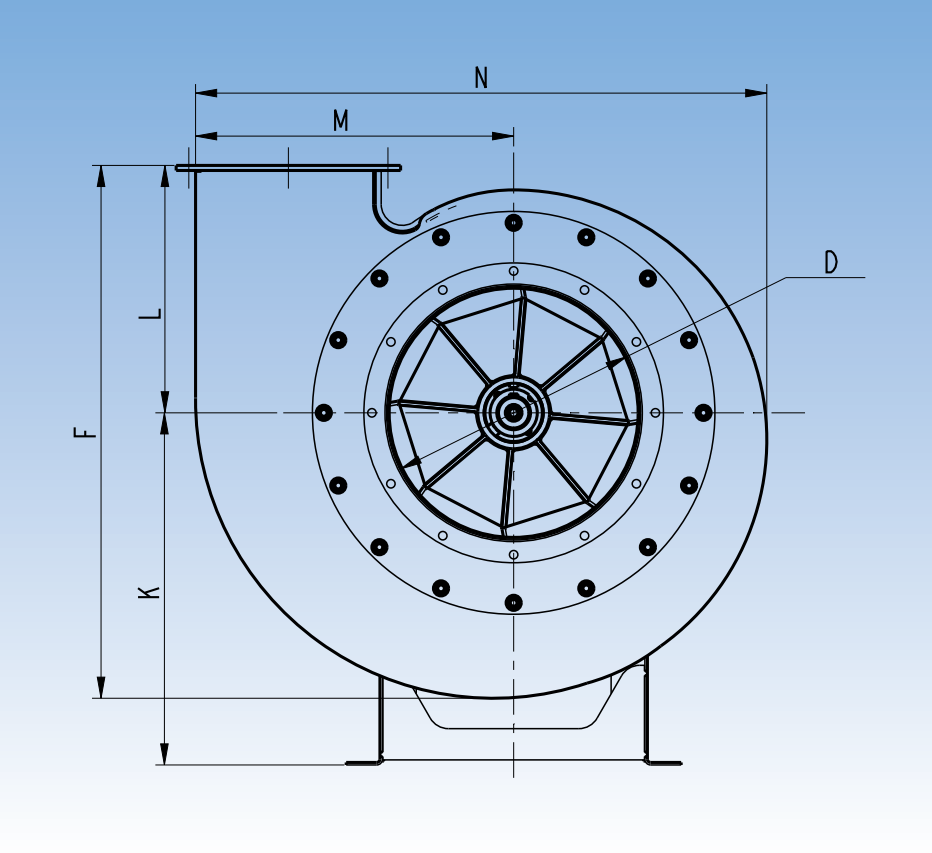
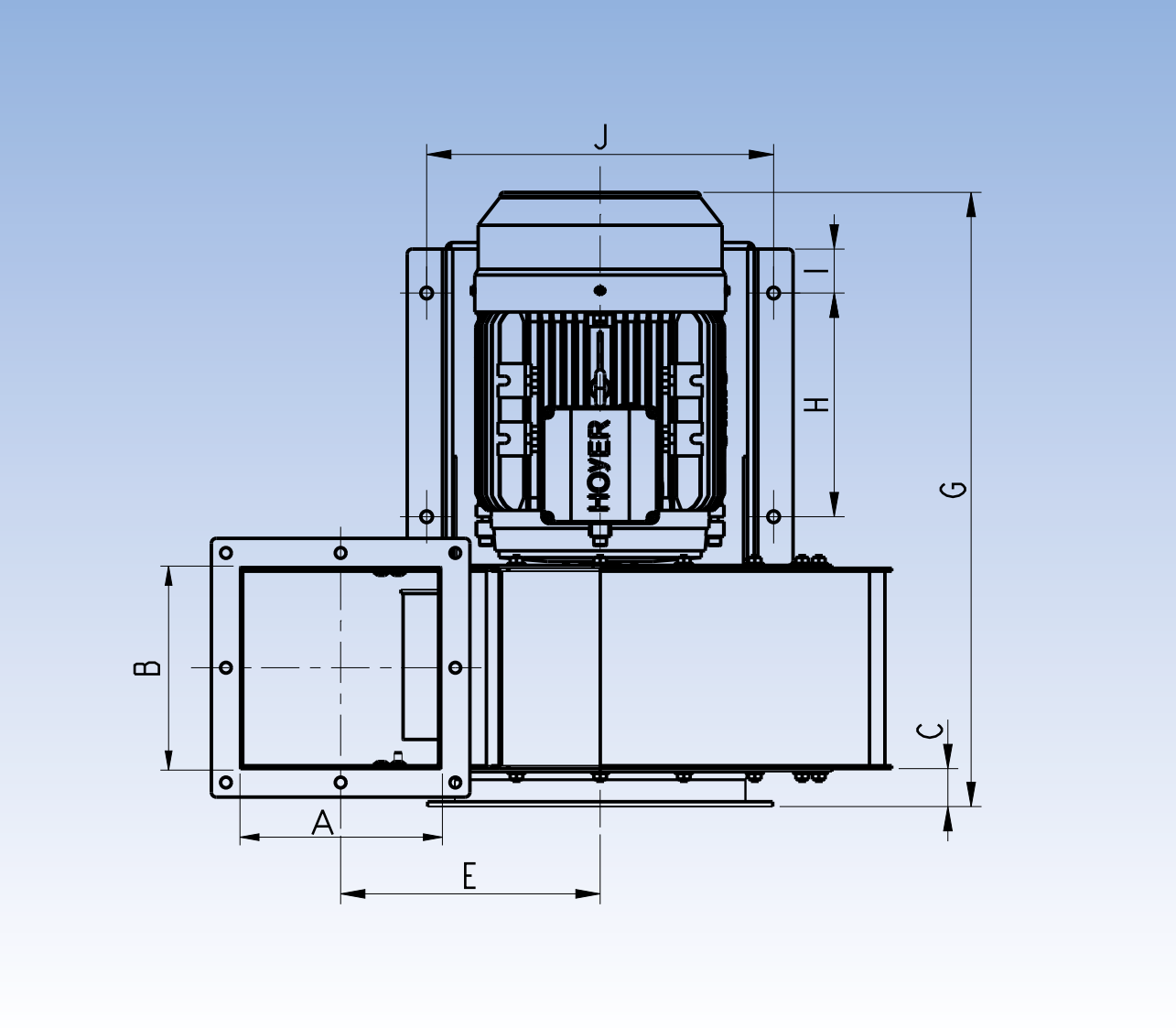
The direct drive centrifugal fan types JK-D are designed for material handling.
Equipped with self-cleaning impellers with backward-inclined blades and aerodynamic intake. The impellers are statically and dynamically balanced.
Max. internal operating temperature: 60°C
Number of blades are reduced by 2 for paper impeller.
Available in stainless steel inlet and explosion-proof (Eex) motor.
The inlet (D) is supplied with flange as standard.
If the fan is mounted in an acoustic booth, it is supplied with smooth inlet.
Specific dimensions for the outlet flanges can be found under “Flanges”.
Read all about JK-20D
Read all about JK-20D
Kontakt os i dag for en gratis konsultation! Vores team af eksperter vil med glæde diskutere dine udfordringer med støvkontrol og besvare eventuelle spørgsmål. Lad os vise dig, hvordan en specialdesignet Solution Sales-tilgang kan forvandle din arbejdsplads og revolutionere din tilgang til procesventilation.