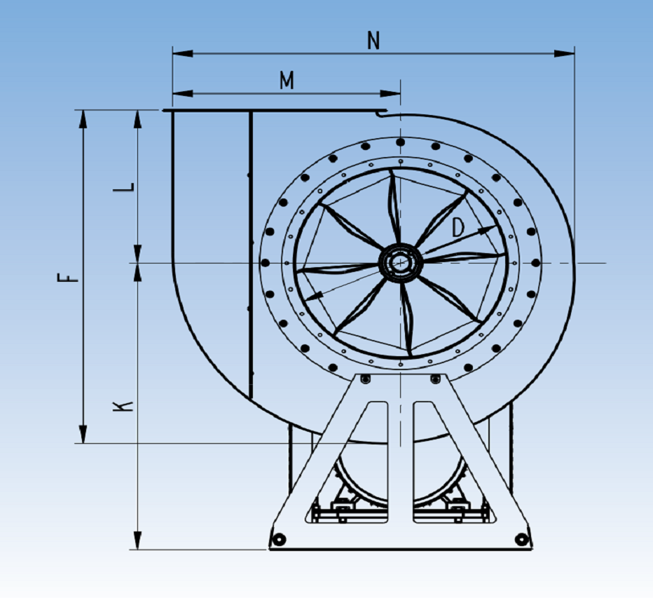
The indirect drive centrifugal fan types JK-30K - JK-75K are designed for material handling.
Equipped with self-cleaning impellers with backward-inclined blades and aerodynamic intake. The impellers are statically and dynamically balanced.
The pulleys are shaft-mounted with taperlock bushing, allowing easy replacement for changed fan speed.
Max. internal operating temperature: 60°C
With cooling wings: Up to 200°C
Number of blades are reduced by 2 for paper impeller.
Available with stainless steel inlet and explosion-proof (Eex) motor.
The inlet (D) is supplied with flange as standard.
If the fan is mounted in an acoustic booth, it is supplied with smooth inlet.
Belt drive is anti-static.
Read all about JK-30K
Read all about JK-30K
Contact us today for a free consultation! Our team of experts will be happy to discuss your dust control challenges and answer any questions you may have. Let us show you how a custom-designed Solution Sales approach can transform your workplace and revolutionize your approach to dust extraction.